Acasă / Știri

Știri

Abilități de cumpărare a lanțului de frunze

Abilități de cumpărare a lanțului de frunze

Lanț de frunze are multe funcții, așa că la ce ar trebui să acordați atenție atunci când cumpărați un lanț? 1. Verificarea as...

Procesul de întreținere a lanțului industrial

Procesul de întreținere a lanțului industrial

Frecvența de curățare a Lanț industrial poate fi curățat la timp la fiecare câteva luni, de fiecare dată când lanțul intră în contact...

Metoda de tratare a punctelor de tip lanț silențios

Metoda de tratare a punctelor de tip lanț silențios

Lanț tăcut Structura materialului din oțel, structura lanțului de oțel, cu toate acestea, mediul mareei și umiditatea, sau mediul, cum ...

Regulă standard de utilizare a lanțurilor pentru motociclete

Regulă standard de utilizare a lanțurilor pentru motociclete

În condiții favorabile, pe deplin economic, pe deplin rațional, totul într-un Lanț pentru motociclete perioadă de utilizare, eficienț...

Precauții pentru întreținerea lanțului cu role

Precauții pentru întreținerea lanțului cu role

Cum să întreținem corect Lanț cu role ? În primul rând, nu scufundați direct lanțul în agenți de curățare acizi și alcalini puternici...

Sfaturi pentru întreținerea lanțului de transmisie

Sfaturi pentru întreținerea lanțului de transmisie

Lanț de transmisie este foarte comună în procesul de producție industrială de astăzi, deci cum să întreținem corect lanțul de transmisi...

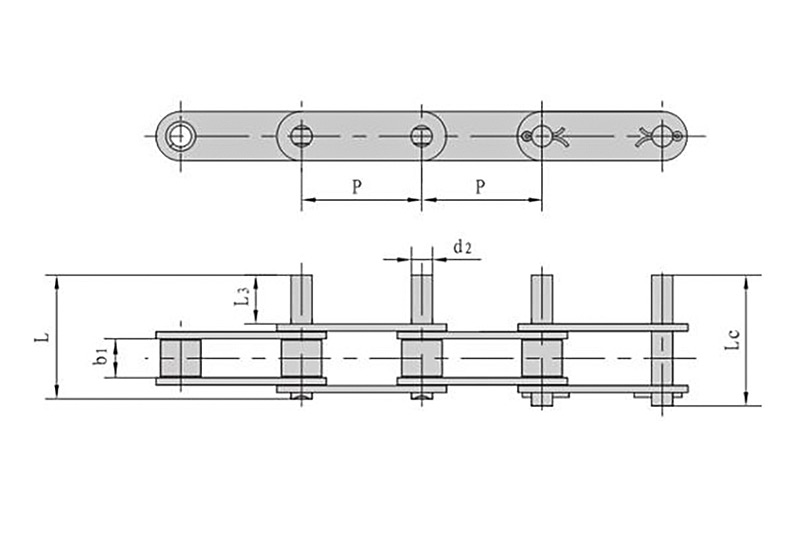
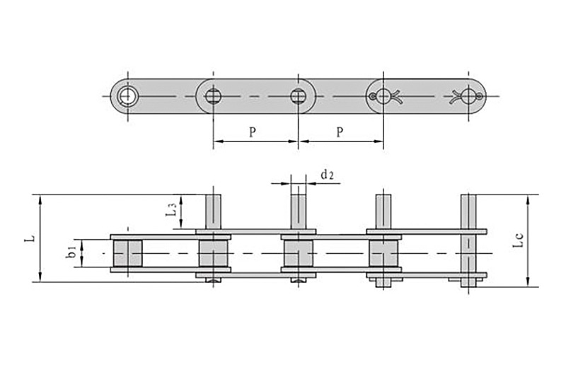
Specificații comune ale lanțului transportor

Specificații comune ale lanțului transportor

Lanț transportor este împărțit în seria A și seria B. Seria A este în conformitate cu specificațiile de dimensiune ale standardului de lanț d...

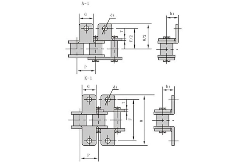
Producătorul de pinioane industriale introduce cerințele de selecție pentru lanțurile portabile

Producătorul de pinioane industriale introduce cerințele de selecție pentru lanțurile portabile

Pinion industrial Producătorii reamintesc că cantitatea, tipul și diametrul cablurilor și țevilor de aer, țevilor hidraulice determină dimens...

Furnizorul de lanțuri de frunze introduce diferența dintre lanțul din oțel inoxidabil și lanțul din oțel carbon

Furnizorul de lanțuri de frunze introduce diferența dintre lanțul din oțel inoxidabil și lanțul din oțel carbon

Care este diferența dintre lanțul din oțel inoxidabil și lanțul din oțel carbon? Ca răspuns la această problemă, mai jos, Lanț de frunze ...

Care sunt principalele utilizări ale lanțului industrial?

Care sunt principalele utilizări ale lanțului industrial?

În zilele noastre, frecvența și locurile în care Lanț industrial este utilizat în industria prelucrătoare industrială sunt din ce în ...

Precauții pentru proiectarea și producerea lanțului silențios

Precauții pentru proiectarea și producerea lanțului silențios

Vor exista unele probleme în procesul de producție de Lanț tăcut . Dacă este o problemă mare, pierderea va fi mare și este mai bine s...

Lanțul de motociclete are și propriul său model unic

Lanțul de motociclete are și propriul său model unic

Ca uleiul de motor, Lanț pentru motociclete are si propriul model. Conform diferitelor cerințe ale vehiculului, modelul de lanț utili...