Acasă / Știri

Știri

Cum să vopsiți corect lanțul transportor

Cum să vopsiți corect lanțul transportor

Cum să pictezi Lanț transportor corect: 1. Suprafața care a fost pulverizată și prăfuită de Conveyor Chain trebuie amorsată i...

Care sunt elementele de putere ale pinionului industrial

Care sunt elementele de putere ale pinionului industrial

Puterea de Pinion industrial constă din două elemente: viteza și cuplul; ambele putând fi transmise prin angrenaje. Când roata hidric...

Producătorul de lanțuri cu frunze prezintă care sunt ingredientele lubrifianților pentru lanțuri

Producătorul de lanțuri cu frunze prezintă care sunt ingredientele lubrifianților pentru lanțuri

Există multe tipuri de lubrifianți pentru lanțuri pe piață. Lanț de frunze Producătorul a introdus care sunt ingredientele lubrifianț...

Producătorul de lanțuri industriale introduce forma de lubrifiere a lanțului

Producătorul de lanțuri industriale introduce forma de lubrifiere a lanțului

Tipul de lubrifiere a lanțului va varia în funcție de modul în care este utilizat lanțul. Lanț industrial Producătorul a introdus că ...

Producătorii de lanțuri silențioase introduc măsurile de precauție pentru instalarea pinionului

Producătorii de lanțuri silențioase introduc măsurile de precauție pentru instalarea pinionului

Lanț tăcut Producătorii prezintă la ce să acorde atenție atunci când instalează pinionul 1. Alegeți modelul și materialul corec...

Producătorii de lanțuri pentru motociclete prezintă caracteristicile transmisiei cu lanț și rotației vitezelor

Producătorii de lanțuri pentru motociclete prezintă caracteristicile transmisiei cu lanț și rotației vitezelor

Lanț pentru motociclete Producătorii prezintă caracteristicile transmisiei cu lanț și rotației angrenajului: 1. Caracteristici ...

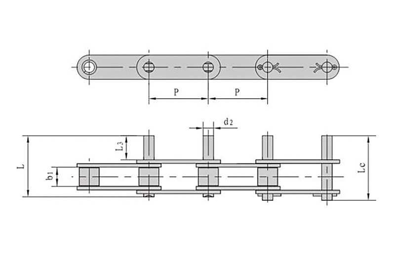
Structura lanțului cu role

Structura lanțului cu role

Structura lui Lanț cu role : Placa exterioară a lanțului și arborele știftului, placa interioară a lanțului și, respectiv, ...

Producătorii de lanțuri de transmisie introduc metode comune de tratare termică pentru lanțurile suspendate

Producătorii de lanțuri de transmisie introduc metode comune de tratare termică pentru lanțurile suspendate

Lanț de transmisie Producătorii introduc metode comune de tratament termic pentru lanțurile de suspensie: recoacere, normalizare, călir...

4 cauze comune ale coroziunii în lanțul agricol

4 cauze comune ale coroziunii în lanțul agricol

Dacă Lanțul Agricol este corodat în timpul utilizării normale, este necesar să se analizeze motivele. 1. Nerespectarea cu s...

Cum să gestionați corect fenomenul de alunecare a stick-ului al lanțului de transmisie

Cum să gestionați corect fenomenul de alunecare a stick-ului al lanțului de transmisie

Dacă Lanț de transmisie este stick-slip, va provoca întreruperi frecvente ale liniei de producție, va reduce eficiența muncii și va c...

Procesul de întreținere a lanțului transportor

Procesul de întreținere a lanțului transportor

Cum se întreține Lanț transportor : 1. Etanșeitatea lanțului transportor din oțel inoxidabil nu trebuie să fie prea strânsă s...

Sfaturi de întreținere a pinioanelor industriale

Sfaturi de întreținere a pinioanelor industriale

Cum se întreține Pinion industrial : 1. Etanșeitatea lanțului nu trebuie să fie prea strânsă sau prea slăbită, altfel lanțul va ...