Acasă / Știri

Știri

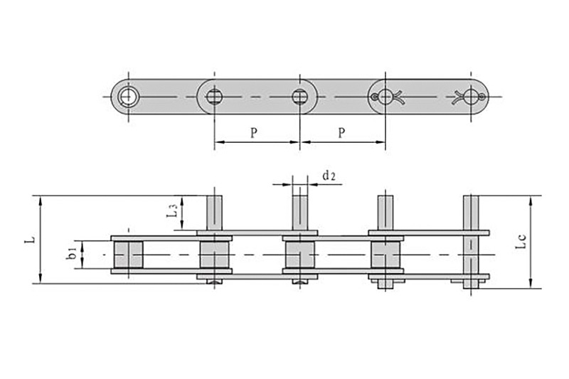
Producătorul de lanțuri transportoare prezintă structura lanțului mecanic

Producătorul de lanțuri transportoare prezintă structura lanțului mecanic

Lanț transportor Producătorul a introdus că structura unui lanț mecanic este formată din dinți roți dințate, caneluri ale dinților, feț...

Care sunt metodele de uzură ale pinionului industrial

Care sunt metodele de uzură ale pinionului industrial

Care sunt metodele de purtare Pinion industrial ? 1. Uzura abrazivă: este șlefuirea suprafeței dintelui cauzată de micile p...

4 Metode obișnuite de lubrifiere ale lanțului de frunze

4 Metode obișnuite de lubrifiere ale lanțului de frunze

Indiferent de cât timp este folosit lanțul, acesta necesită întreținere regulată. De exemplu, curățarea și lubrifierea sunt modalități de a prel...

Cum să utilizați lanțul industrial în mod rezonabil și corect

Cum să utilizați lanțul industrial în mod rezonabil și corect

Lanț industrial este un lanț foarte comun, este folosit în principal într-un mediu industrial, așa că la ce ar trebui să se acorde atenție...

Cum să curățați și să reparați corect lanțul silentios

Cum să curățați și să reparați corect lanțul silentios

Funcționarea normală a Lanț tăcut se bazează pe întreținerea și protecția obișnuită a lanțului. Pentru lanțul care trebuie curățat, s...

Precauții de instalare ale lanțului de motociclete

Precauții de instalare ale lanțului de motociclete

Lanț pentru motociclete este o parte importantă a motocicletelor. Funcția sa este de a face motocicletele să conducă și să conducă moto...

Care sunt industriile de aplicare ale lanțului cu role

Care sunt industriile de aplicare ale lanțului cu role

Datorită funcțiilor sale specifice, Lanț cu role are o metodă de asamblare diferită de alte lanțuri, creând rezistența unică și forța...

Care este rolul lanțului de transmisie

Care este rolul lanțului de transmisie

În viața de zi cu zi, putem vedea adesea tot felul de Lanț de transmisie . Mai simplu spus, un lanț este un inel din metal, iar apoi ...

3 moduri de a judeca calitatea lanțului cu role

3 moduri de a judeca calitatea lanțului cu role

3 moduri de a judeca calitatea Lanț cu role : 1. Calitatea lanțului poate fi distinsă de aspect Depinde în principal de ...

Strategia de curățare a lanțului de transmisie

Strategia de curățare a lanțului de transmisie

Lanț de transmisie strategie de curatare: 1. Apă fierbinte cu săpun, dezinfectant pentru mâini, folosiți o periuță de dinți aru...

Precauții pentru utilizarea lanțului agricol

Precauții pentru utilizarea lanțului agricol

Precauții pentru utilizarea Lanțul Agricol : 1. Fiabilitate și întreținere bune. Lanțul trebuie să fie rezistent la medii spe...

Cunoștințe de întreținere despre lanțul de transmisie

Cunoștințe de întreținere despre lanțul de transmisie

The Lanț de transmisie este o structură de transmisie foarte critică în echipamentele mecanice, care afectează performanța de lucru ș...