Acasă / Știri

Știri

Aplicarea lanțului agricol în automatizarea agriculturii

Aplicarea lanțului agricol în automatizarea agriculturii

Pentru lanțurile industriale, utilitatea acestuia în toate categoriile sociale este relativ mare. Se poate observa că producția noastră este insepa...

Avantajele unice ale lanțului de transmisie

Avantajele unice ale lanțului de transmisie

Lanțul poate fi împărțit în lanț de transmisie, lanț de ridicare și lanț de tracțiune. Lanțurile de ridicare și lanțurile de tracțiune sunt utiliza...

Care sunt etapele proiectării lanțului de transmisie

Care sunt etapele proiectării lanțului de transmisie

În procesul de proiectare și producție a Lanț de transmisie , există patru pași critici: decuparea, împletirea, sudarea, „formarea” ș...

Patru metode de lubrifiere utilizate în lanțul transportor

Patru metode de lubrifiere utilizate în lanțul transportor

În industria lanțurilor, Lanț transportor este un tip de lanț utilizat în mod obișnuit. De asemenea, are nevoie de întreținere a ulei...

Care sunt funcțiile lanțului de frunze

Care sunt funcțiile lanțului de frunze

Deoarece componentele lanțului cu lame sunt similare ca dimensiune cu lanțul cu role standard, producția economică a lanțului cu lame depinde în ma...

Structura și caracteristicile lanțului silențios

Structura și caracteristicile lanțului silențios

Structura lui Lanț tăcut este foarte simplu: doar scânduri și știfturi. Există opt pasi diferite de la 9,52 mm la 50,8 mm. Placa...

Detalii despre garanția lanțului cu role

Detalii despre garanția lanțului cu role

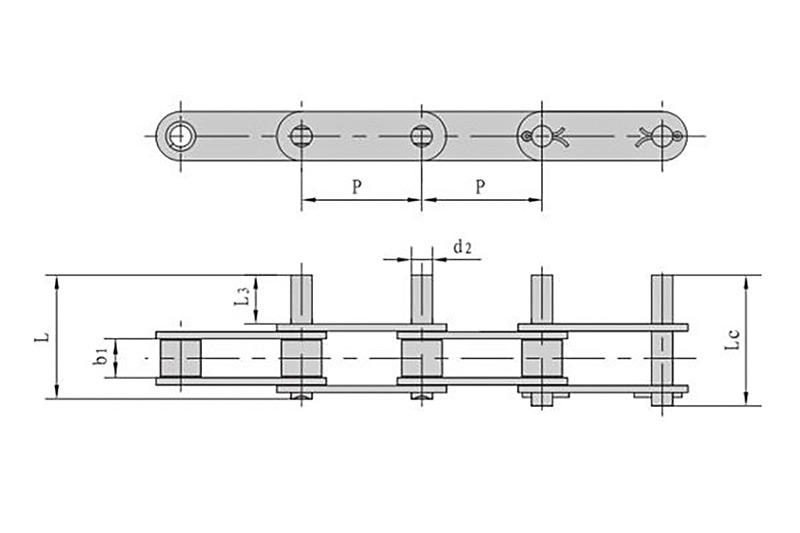
The Lanț cu role constă dintr-o placă interioară a lanțului, o placă exterioară a lanțului, un știft, un manșon și o rolă. Exist...

Pinionul industrial se va uza mult timp

Pinionul industrial se va uza mult timp

Cu toții vom găsi asta dacă vom folosi Pinion industrial pentru o lungă perioadă de timp, vom descoperi că Industrial Sprocket are un...

Diferența dintre pinionul industrial și scripetele sincron

Diferența dintre pinionul industrial și scripetele sincron

Un pinion este, de asemenea, o roată dințată de tip dințat, care este folosită pentru a se conecta cu precizie cu inelul lanțului cu pas sau cu pas...

Ce fel de lubrifiant este potrivit pentru lanțul industrial

Ce fel de lubrifiant este potrivit pentru lanțul industrial

Substanța uleioasă lichidă utilizată în lubrifierea lanțurilor are funcții de lubrifiere, prevenire a ruginii, impermeabilă și antifricțiune pentru...

Designul lanțului de transmisie este peste tot în viață

Designul lanțului de transmisie este peste tot în viață

Lanț de transmisie desenele sunt peste tot în viață. Deci, cum este conceput principiul lanțului de transmisie? Lanțul de transmisie e...

Producătorul de lanțuri agricole introduce o metodă de întreținere a lanțului mecanic

Producătorul de lanțuri agricole introduce o metodă de întreținere a lanțului mecanic

În ceea ce privește întreținerea lanțurilor mecanice, următoarele vor fi descrise de către producătorul hzqjchain Lanțul Agricol pe b...